BC-GM/C65M6X4H
配备Gpixel的GMAX 3265,是一款具有高分辨率和高速性的机器视觉相机,能够以6500万像素的CXP-12×4Lane输出进行最大71 fps的成像。通过采用新一代关键元件和优秀的设计技术,成功实现了外壳尺寸的小型化,并且由于其优异的散热性,实现了无风扇。备有通用性较高的CXP-6×4Lane模型和可实现传感器最快帧率的CXP-12×4Lane模型,虽然是高端,但性价比也很高。连接器的伸出方向可以从背面接口型,侧面接口型中选择,前面,4个侧面还配备有安装用的插口,可以根据使用环境进行研究。
性能特点
  • 搭载GMAX3265 65M传感器
  • 4 Lane CoaXPress 接口,支持PoCXP
  • 支持CXP-12,最高帧率71fps
  • 尺寸仅70mm x 70mm
  • 超低功耗、无风扇设计
  • 自动光学较正,高成像质量
规格参数
  • 型号
    BC-GM65M6X4H
  • 传感器
    Gpixel: GMAX3265
    Monochrome CMOS
  • Shutter Type
    Global
  • 有效像素
    9344 (H) x 7000 (V) : 65MPixel
  • 同步方式
    Free run / External trigger (Hardware / Software) / LinkTrigger(use of coax cable)
  • 帧率
    35.5 fps (8bit CXP6_X4)
                                               17.7 fps (8bit CXP6_X2,CXP3_X4)
                                               8.8 fps (8bit CXP6_X1,CXP3_X2)
                                               4.4 fps (8bit CXP3_X1)
  • 视频输出模式
    CXP6_X4, CXP6_X2, CXP6_X1,CXP3_X4,CXP3_X2,CXP3_X1  4 / 2 / 1 lane
  • 输出位深
    8 bits (Mono8)
  • 噪声级别
    Less than 2.4 LSBs (Gain 0 dB)
  • 灵敏度
    990Lux
  • 曝光时间
    24 μseconds to 2 seconds
  • 增益
    模拟:24 μseconds to 2 seconds
                                               数字:1.0 to 3.0 Times
  • 黑等级
    0 to 80 DN 8bit
  • 白平衡增益
    N/A
  • ROI
    Width (Horizontal): 64 to 9344 / Height (Vertical): 4 to 7000
                                               Adjustable Steps for size:
                                               16 pixels in width direction / 2 lines in height direction
                                               Adjustable Steps for offset: 2 pixels in width direction / 2 lines in height direction
  • 图像反转
    ReverseX / ReverseY (Default: OFF)
  • 阴影校正
    Support
  • 像素缺陷校正
    Up to 1024 points
  • 触发模式
    Free-run(TriggerMode:Off) / Edge-preset Trigger(TriggerMode:On , ExposureMode:Timed) / Pulse width Trigger (TriggerMode:On , ExposureMode:TriggerWidth)
  • 用户设定存储
    Support
  • 传输
    CoaXPress Standard Ver1.1
  • 协议
    GenICam Standard Version (SFNC 2.5) compliant
  • 输入/输出
    GPIO x 2, Isolated Input x 1
  • 电压
    输入:PoCXP or External24V
                                               功耗:Maximum: 6.4 W, Typical: 5.9 W
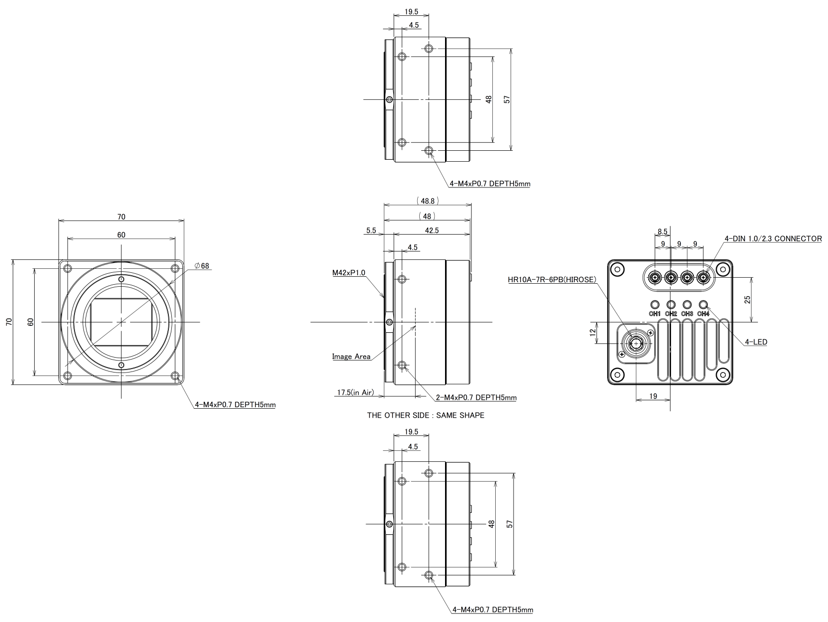
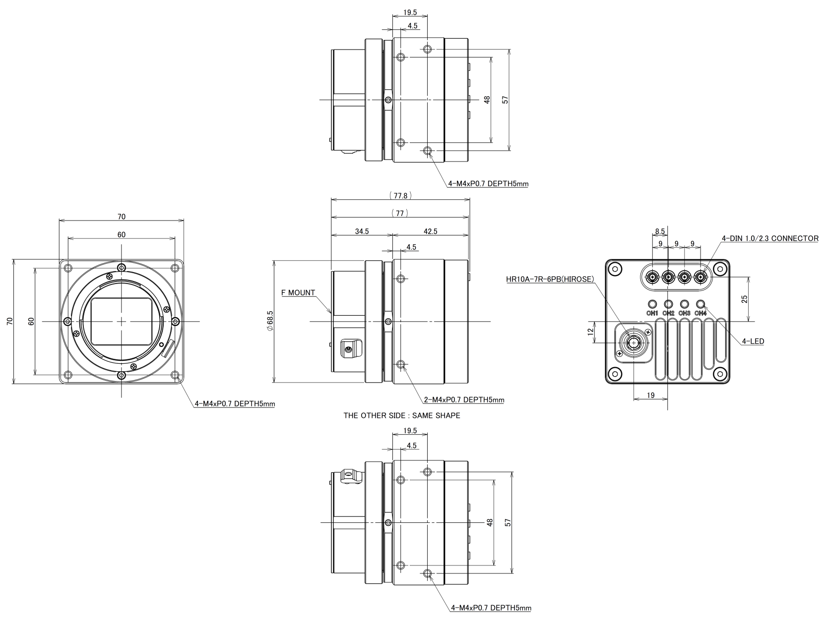
  • 尺寸
    70 (W) x 70 (H) x 77 (D) mm: F Mount
                                               70 (W) x 70 (H) x 48 (D) mm: M42 Mount
  • 材质
    铝合金
  • 镜头支持
    F Mount / M42 Mount / Custom Mount
  • 接口
    DIN1.0/2.3 Connector
                                               I/O Connector: HR10A-7R-6PB (Hirose) or equivalent
  • 安装规格
    M4 screws holes
                                               Straight Type : Four on front, Four on top and bottom, Two on both side plate
                                               Angle Type  : Four on front, Two on top and bottom and both side plate
  • 重量
    Approximately 500 g : F MOUNT type (Straight and Angle Type)
                                               Approximately 410 g : M42 MOUNT type (Straight and Angle Type)
  • 工作时间
    温度 / 湿度 (*1)
    Device Temperature(CMOS Temperature): 0 to 60 ℃ (*1)
                                               Environment Humidity : 0 to 85%RH (No condensation)
  • 存放
    温度 / 湿度
    Environmental Temperature: -25 to +70 deg.C
                                               Environmental Humidity: 0 to 85%RH (No condensation)

                   

光谱响应曲线

                   

尺寸外观



F-Mount (直插)



M42-Mount (直插)